|  | ||
| 产品名称: | 东莞TBI丝杠,原装进口SFU6320滚珠丝杆 | |
| 产品品牌: | 台湾TBI滚珠丝杆 | |
| 产品型号: | TBI丝杠SFU6320-4 | |
| 产品内径: | 导程:20mm | |
| 产品外径: | 螺杠外径:63mm | |
| 产品高度: | 螺母外径:95mm | |
| 产品说明 | |||||||||||||||||||||||||||||||||||||||||||||||||
| 东莞代理TBI丝杠 原装进口SFU6320滚珠丝杆 东莞启威机电公司专业代理加工的TBI滚珠丝杆SFU6320全为台湾原装进口,轧制3-5天交货,研磨丝杆7天交货,如有其它需求请与我们沟通! TBI滚珠丝杆SFU6320是一种钢珠介于螺帽与螺杆之间做运动,将传统螺杆之滑动接触转换成滚动接触然后在将螺帽内的钢珠回转运动转为直线运动的传动机械组件。滚珠螺杆具有定精度高、高寿命、低污染和可做高 速正逆向的传动及变换传动等特性,因具上述特性,滚珠螺杆已成为近来精密科技产业及精密机械产业的定位及测量系统上的重要零组件之一。 
 
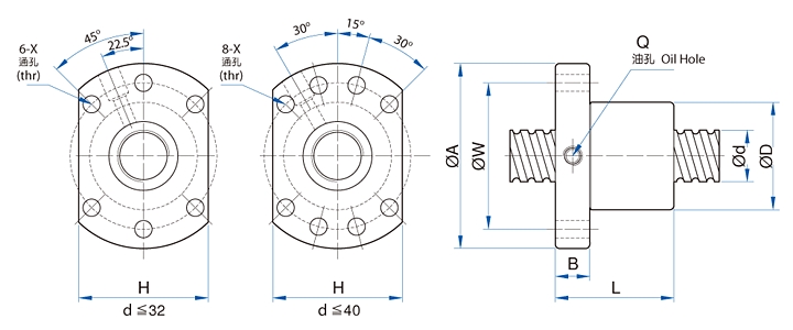
 I : 导程, Da : 珠径, n : 珠卷数, Ca : 动额定负荷(kgf), Coa : 静额定负荷(kgf), K : 钢性(kgf/µm) ★ : 可制作左螺纹 
 
 TBI滚珠丝杆SFU6320的安全使用: 润滑为使滚珠丝杠副充分发挥机能,在其工作状态下,必须润滑,润滑方式主要有以下两种: TBI丝杠SFU6320在使用时应注意以下事项: a.滚珠螺母应在有效行程内运动,必要时在行程两端配置限位,以避免螺母约程脱离丝杠轴而使滚珠脱落。 安装TBI滚珠丝杠副在安装时应注意以下事项: aTBI滚珠丝杠副仅用于承受轴向负荷。径向力、弯矩会使滚珠丝杠副产生附表面接触应力等负荷,从而可能造成丝杠的永久性损坏。因此,滚珠丝杠副安装到机床时,应注意:(1)丝杠的轴线必须和之配套导轨的轴线平行,机床的两端轴承座与螺母座必须三点成一线;(2)安装螺母时,尽量靠近支撑轴承;(3)同时安装支撑轴承时,尽量靠近螺母安装部位。 b.TBI滚珠丝杠安装到机床时,请不要把螺母从丝杠轴上卸下来。如必须卸下来时要使用辅助套,否则装卸时滚珠有可能脱落。螺母装卸时应注意以下几点:(1)辅助套外径应小于丝杠底径0.1-0.2mm;(2)辅助套在使用中必须靠紧丝杠螺纹轴肩;(3)卸装时,不可使用过大力以免螺母损坏;(4)装入安装孔时要避免撞击和偏心。 | |||||||||||||||||||||||||||||||||||||||||||||||||
| 产品订购热线:13532728713, 13532728713 | |||||||||||||||||||||||||||||||||||||||||||||||||

 
	 
	 
	












